ガラスドア用ヒンジ【GP4490】

  • ガラスドア用ヒンジ【GP4490-1】 鏡面
  • ガラスドア用ヒンジ【GP4490-2】 ヘアライン
  • ガラスドア用ヒンジ【GP4490-3】 マットブラック
  • ガラスドア用ヒンジ【GP4490-1】 鏡面
  • ガラスドア用ヒンジ【GP4490-2】 ヘアライン
  • ガラスドア用ヒンジ【GP4490-3】 マットブラック
商品説明・おすすめのポイント

壁にガラスドアをご自身で取り付けるための、壁片側取り付けタイプのガラスドア製作用金物ヒンジ(丁番)です。

セットオプション

商品がお気に召さない場合、 パッケージ開封後でもご返品をお受けいたしますので、 安心してご購入いただけます。 詳しくはこちら

商品詳細

 
商品名 ガラスドア用ヒンジ【GP4490】
商品品番 GP4490-1(鏡面) GP4490-2(ヘアライン) GP4490-3(マットブラック)
耐荷重 40kg (2個使用時)
付属品 丁番本体 × 1
パッキン (2mm厚) × 2
パッキン (1mm厚) × 2
帯パッキン × 1
皿ネジ (壁取付け用 M5 L12) × 3
六角レンチ (大) × 1
六角レンチ (小) × 1
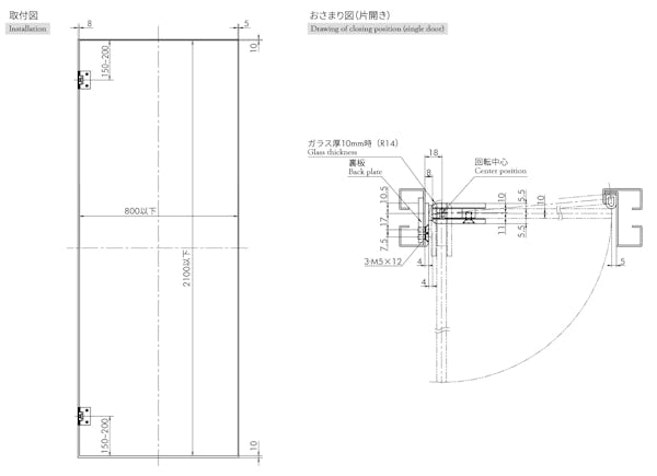
備考 ガラス厚 8~12mm 専用
対応ガラス扉幅 800mm まで

壁片側取り付けタイプの丁番

 
ガラスドア用ヒンジ【GP4490-1】 鏡面は、壁とガラスが面になるようなタイプとなり、180°開閉ができます。
取り付け用のビスについては、奥側に1つのヒンジにつき、3本のビスで固定する形になります。

戸当たりをつけることで開く方向を制限することも可能です

戸当たりを付けて開く方向を制限

このガラスドア用ヒンジ(蝶番)は、手前と奥に開く「自由開き」タイプですが、戸当たりをつけることで開く方向を制限することができます。 戸当たりは床や天井につけるタイプや、間口の枠に取り付けるタイプもございます。間口の全周に「戸当たり枠」を造作するという方法もおすすめです。

サイズについて

 

ドア用のガラスはオーダーでお作りできます!

ガラスドア向け加工済みガラスのイメージイラスト

ガラスドア用のガラスは、姉妹店の オーダーガラス板.COM でオーダーメードでご購入いただけます。もちろんヒンジを取り付けるための切り欠き加工(エグリ加工)やバーハンドルを取り付ける為の穴の加工依頼もお受けしています。 当店への電話でもご注文いただけますので、お気軽にお問い合わせください。( ☎ 0120-12-5537 )

寸法図

 

取付図

 

取付用品

 

専用のスペーサー・下地金具をご購入頂けます

ガラスドア用ヒンジ【GP4490】用のスペーサーと下地金具を別途ご購入頂けます。

スペーサーは、タイルなどでガラスヒンジの座プレートが、沈み込み、扉の開閉に支障がある場合にご使用下さい。

下地金具は、タイルや石張りの壁面への施工の際にガラスヒンジの取り付けをサポートします。 壁下地に取り付け、タイルや石張り等の面までガラスヒンジ取り付け面を持ち出すことができます。

ご購入・詳細は各商品ページをご確認ください。

ガラスドア用ヒンジ【GP4490】用 スペーサー
ガラスドア用ヒンジ【GP4490】用 下地金具

関連商品

 

同時に次の商品を購入されています

 

よくある質問

 
最終更新日: