規格品会員割引安心保証大口注文対応返品返金可能
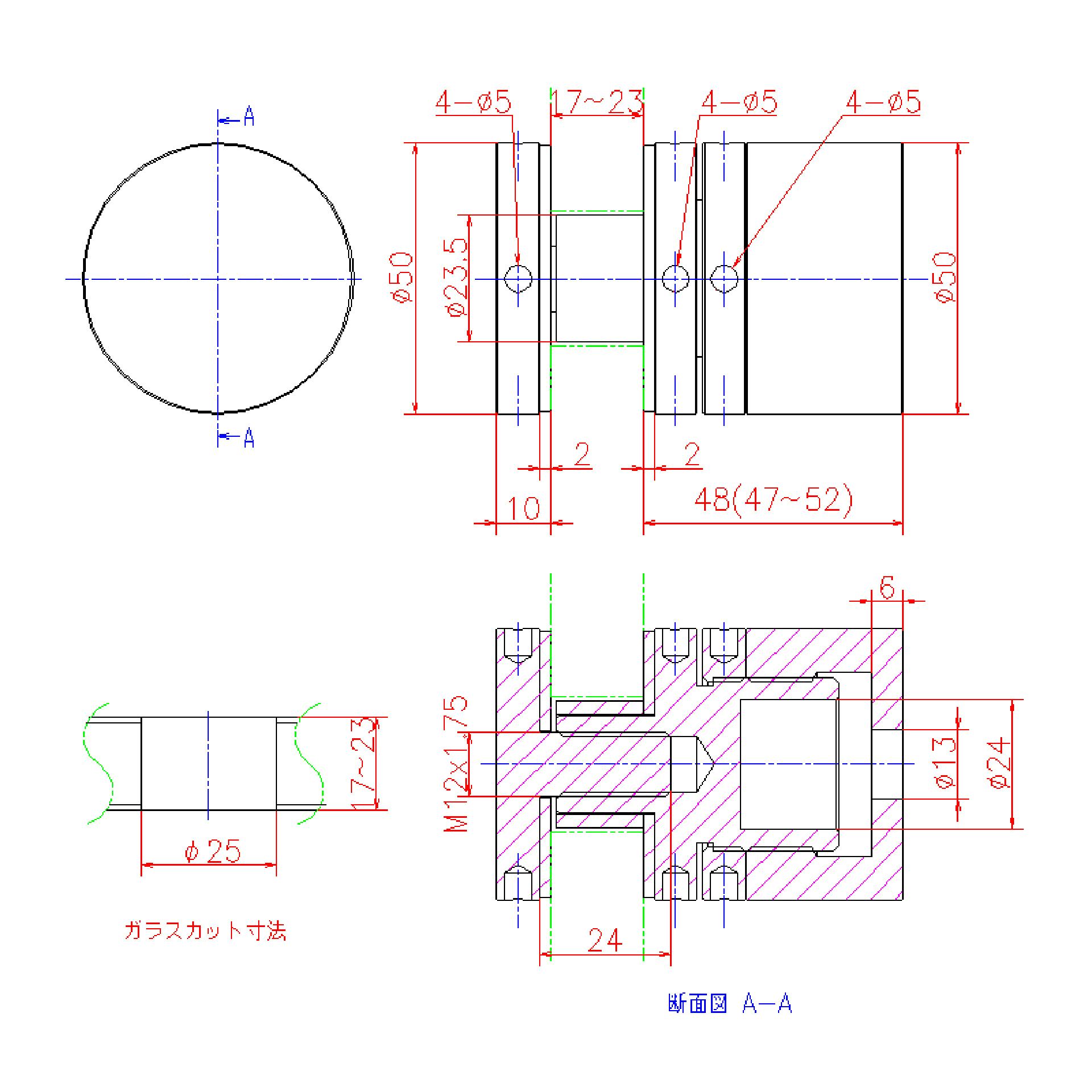
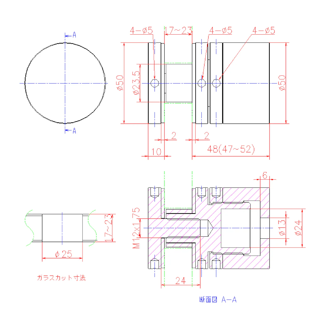
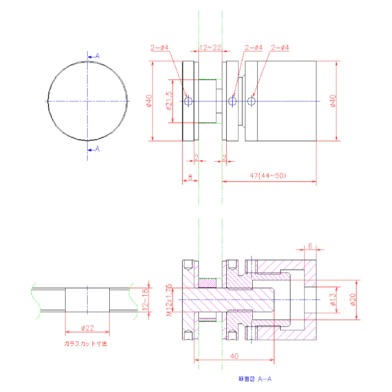
ガラス板を壁面に固定するポイントフィックスです。このステンレス面付け型フィックスは、ガラス板を点で支持します。金具が目立ちにくいため、ガラス面全体をすっきり見せ、空間の雰囲気を損ねません。鏡面仕上げで高級感を演出し、階段ガラス手すりやサインパネルなど、厚み・重量のあるガラスの固定に採用いただいています。
当社では、ガラスの厚みや許容荷重によって選べる5種類のステンレスフィックスをご用意しています。設置場所や用途にぴったりのフィックスをご提案しますので、お気軽にお問い合わせください。
ガラス固定金物 ステンレスフィックス【GP5190-1】
¥8,900(税抜)/¥9,790円(税込)






